Les douilles et accessoires impact sont conçus pour
résister aux efforts transmis par les machines à chocs
(visseuses, clés à chocs électriques ou pneumatiques)
utilisées dans lindustrie ou lautomobile.
Verrouillage par goupille et jonc.
Très grande résistance à l’usure.
NF ISO 1174-1
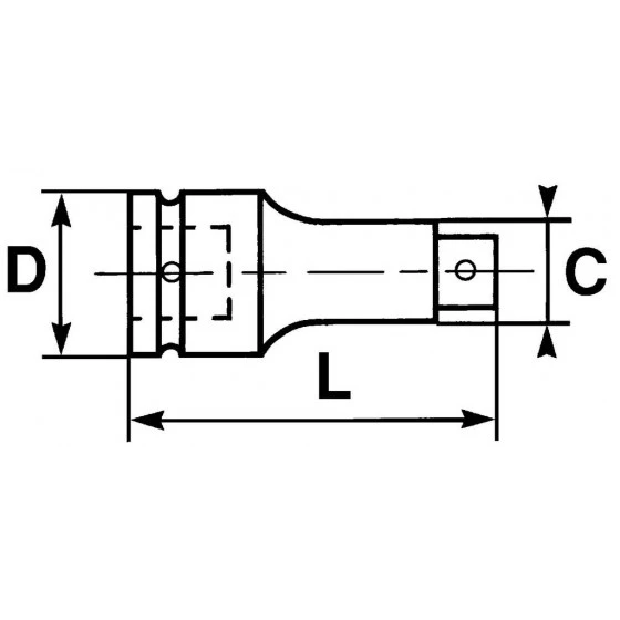
Caractéristiques techniques
D mm : 13
L mm : 75
Poids g : 32













Avis
Il n’y a pas encore d’avis.